|
HCRMC72係列多回路監測裝置主要應用於多個配出回路的電參數的監測,它將回路中的母線電壓、多個配出回路的電流、功率、電能集中測量顯示並通過RS485通訊口與上位機實現數據交換,極大地方便了用電自動化管理。HCRMC72係列多回路監測裝置包括HCRMC72-E1(單相多回路監測裝置)和HCRMC72-E3(三相多回路監測裝置)兩種規格。一個HCRMC72 多回路監測裝置就能實現對4個三相電網或12個單相電網的電參量的測量,300A以下電流回路各相一次穿過配套電流互感器(配套電流互感器分100A/20mA和300A/50mA二種參數規格,當監測回路的電流≤A100A時可選100A/20mA的三相一體式閉環型電流互感器或開口式互感器;當監測回路的電流在100A~300A之間時,可選300A/50mA的單相閉環型電流互感器),不需再另配常規的5A電流互感器,配套互感器的二次mA信號用標準的6芯網線端接、傳輸,大大方便了係統的接線、安裝、調試;可極大地節約安裝空間和用戶的投資,降低了係統成本。
HCRMC72係列多回路監測裝置具有精度高、穩定性好、實用性強、功能強大、體積小巧、安裝方便(采用DIN35mm導軌安裝)等優點,並具有良好的EMC性能。


◆ 測量顯示單相或三相網絡中的母線電壓、多回路電流、功率等電參數;多回路分別計量正、反向有功以及無功電能;
◆ 300A以下電流回路各相一次穿過配套電流互感器 (配套電流互感器分100A/20mA和300A/50mA二種參數規格,當監測回路的電流≤100A時可選100A/20mA的三相一體式閉環型電流互感器或開口式互感器;當監測回路的電流在100A~300A之間時,可選300A/50mA的單相閉環型電流互感器),不需再另配常規的5A電流互感器,配套互感器的二次mA信號用標準的6芯網線端接、傳輸,可省卻較大的安裝空間和大量的施工時間;
◆ 當監測回路電流>300A時,需外配二次電流為5A或1A的測量CT,建議選用HCRMC168係列,HCRMC168係列內置5A微型電流互感器;
◆ 標配一路RS485通訊接口,MODBUS-RTU協議,可方便實現配網自動化;
◆ 帶有LCD顯示,方便組網時通訊參數設置和數據查看;
◆ 體積小巧,35mm標準導軌安裝方式 。


安裝方式:主機固定安裝在35mm的標準導軌上即可。

安裝方式:100A/20mA三相一體式閉環型電流互感器為開孔螺栓安裝方式,在櫃內合適的位置開兩個橫向間距為128.5mm的Φ4.0mm圓孔,再用兩個M3螺栓配合螺母把配套電流互感器固定住。

開口式電流互感器、集線盒安裝方式:在既有的待測量電參數的主線路,無需拆下原線路,隻需按上圖中A相電流互感器一樣打開暗扣,把對應相位的電流互感器按正確電流方向套在原有線路上,再按上圖中C相電流互感器一樣扣上暗扣。開口式電流互感器因尺寸較小,沒有安裝孔,可用尼龍紮帶固定在合適的位置。集線盒可安裝在35mm標準導軌上。

安裝方式:300A/50mA單路閉環型電流互感器為開孔螺栓安裝方式,在櫃內合適的位置開2個間距為77.5mm的Φ5.0mm圓孔,再用2個M4螺栓配合螺母把配套電流互感器固定住。集線盒可安裝在35mm標準導軌上。

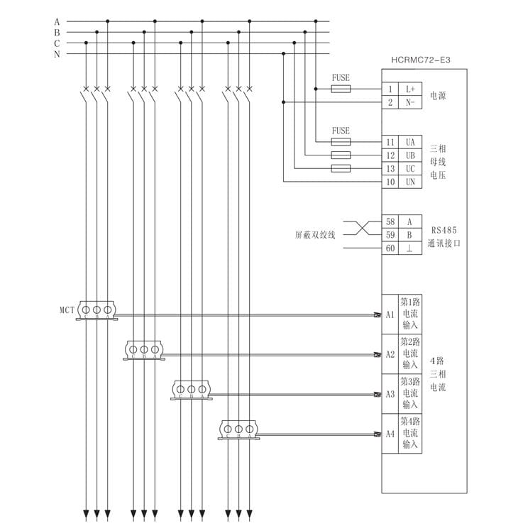
注1:1#-2#端子接工作電源,上圖為AC220V供電的接線示意圖,直流供電時注意直流電壓等級;11#、12#、13#、10#端子接三相電壓母線信號,上圖為三相四線(有中心線)接線方式;當電壓係統為三相三線時,10#端子不接N線而與12#端子短接。
注2:當線路額定工作電流≤300A時,主線路一次穿過自帶電流互感器MCT即可;當線路額定工作電流>300A 時,需外置二次電流為5A或1A的測量型電流互感器,建議選用HCRMC168係列,HCRMC168係列內置5A 微型電流互感器。

注1:1#-2#端子接工作電源,上圖為AC220V供電的接線示意圖,直流供電時注意直流電壓等級;11#、10#端子接電壓母線信號;單相測量時,電壓與電流信號必須取同相。
注2:當線路額定工作電流≤300A時,主線路一次穿過自帶電流互感器MCT即可;當線路額定工作電流>300A時,需外置二次電流為5A或1A的測量型電流互感器,建議選用HCRMC168係列,HCRMC168係列內置5A微型電流互感器。
訂貨時,請詳細寫明所需產品的型號、電壓/電流規格、接線方式、配套互感器型式、訂貨數量等相關內容。
例1: 型 號:HCRMC72-E3-4 母線電壓:AC 220V×3 電流規格:4路三相100A 接線方式:三相四線 數字通訊:RS485/MODBUS-RTU 配套互感器:三相一體式閉環型,信號線長1米 訂貨數量:20套 | 例2: 型 號:HCRMC72-E1-12/KH 母線電壓:AC220V×1 電流規格:12路單相100A 接線方式:單相 數字通訊:RS485/MODBUS-RTU 配套互感器:開口式電流互感器,信號線長1米 訂貨數量:12套 |