|
HC-DBP低壓組合式綜合瞬時過電壓保護器 (又稱作:新型浪湧保護器) 係列產品按GB18802.1-2002(IEC61643-1)設計,其內部核心元件采用本公司生產的優質芯片/放電間隙。100%通過電壓能力、電流能量以及參數異常的篩選。HC-DBP最大通流量可達200KA(8/20us),承受過電壓能力強,殘壓低,漏電流小。脫扣機構靈敏,標準導軌安裝(35mm),失效窗口顯示,響應速度快,確保安全可靠。
為了使具體的應用都得到正確的保護,根據國際標準IEC61662,選用低壓組合式綜合瞬時過電壓保護器需要考慮以下主要的因素:
◆ 建築物所在的地理區域與地形區域受雷擊的危險程度;
◆ 受保護設備的價值及其破壞後的經濟損失;
◆ 人員密集程度及其相對應的安全要求;
◆ 建築物的形狀、體量、高度及所處的環境。
■ 電源間隙係列產品的兩個電極分別與L(N)、PE線(xian)相(xiang)連(lian),兩(liang)個(ge)電(dian)極(ji)之(zhi)間(jian)形(xing)成(cheng)一(yi)個(ge)電(dian)氣(qi)間(jian)隙(xi)。電(dian)網(wang)在(zai)不(bu)超(chao)過(guo)點(dian)火(huo)電(dian)壓(ya)的(de)情(qing)況(kuang)下(xia)運(yun)行(xing)時(shi),兩(liang)個(ge)電(dian)極(ji)之(zhi)間(jian)呈(cheng)高(gao)阻(zu)狀(zhuang)態(tai),如(ru)果(guo)電(dian)網(wang)因(yin)雷(lei)擊(ji)或(huo)操(cao)作(zuo)過(guo)電(dian)壓(ya)使(shi)兩(liang)個(ge)電(dian)極(ji)之(zhi)間(jian)的(de)電(dian)壓(ya)超(chao)過(guo)點(dian)火(huo)電(dian)壓(ya)時(shi),間(jian)隙(xi)被(bei)擊(ji)穿(chuan),通(tong)過(guo)弧(hu)光(guang)放(fang)電(dian)將(jiang)電(dian)壓(ya)能(neng)量(liang)釋(shi)放(fang),衝(chong)擊(ji)波(bo)過(guo)後(hou),電(dian)弧(hu)將(jiang)被(bei)分(fen)弧(hu)片(pian)和(he)滅(mie)弧(hu)室(shi)組(zu)成(cheng)的(de)滅(mie)弧(hu)係(xi)統(tong)熄(xi)滅(mie)。恢(hui)複(fu)到(dao)高(gao)阻(zu)狀(zhuang)態(tai),放(fang)電(dian)間(jian)隙(xi)完(wan)全(quan)密(mi)封(feng),無(wu)電(dian)弧(hu)外(wai)泄(xie)。
■ B、C、D係列產品是新一代針對解決目前市場上常用的浪湧保護器以及避雷器的缺點而設計的,具有不可比擬的優勢。例圖一所示,HC-DBP主放電電路由五個帶放電間隙 (100KA及以上的模塊采用特製放電間隙,65KA以下采用定製的大能量空氣放電管 ) 和高能量的金屬氧化物非線性電阻的單元 ( 單相供電係統有三個帶放電間隙和高能量的金屬氧化物非線性電阻的單元 ) 組成。100KA及以上的模塊在放電間隙/放電管串聯的基礎上並聯了放電間隙並增加了觸發電路,如圖所示,圖中FR為氧化物非線性電阻,CG為放電間隙/放電管。

■ 地級保護器係列產品通流量大,殘壓低,內置高性能放電管,安全性能高,模塊化設計,采用接線端子連接,接線可靠、方便;
■ 直流電源係列防雷器采用模塊化設計,接線端子連接,安裝更方便,采用多重保護技術,保護能力強,可靠性高,通流量大,殘壓低。
■ 電源間隙係列產品適用於變壓器低壓側或建築物低壓主配電箱中的等電位連接,對電源第1極的雷電或操作引起的過電壓進行保護。該係列產品的前端必須串聯保險絲,否則在產品放電時,產生的工頻續流可能將保護器燒毀。
■ B級係列產品適用於交流50/60HZ,380/420V供電係統。可作為建築物進線的低壓總配電係統提供第一級防雷(過電壓)保護。
■ C級係列產品適用於交流50/60HZ,220/380V供電係統。可作為建築物內的分配電第二級防雷保護,如高層建築樓層分配電櫃,民用建築的單元分配電櫃。
■ D級係列產品適用於交流50/60HZ,220/380V供電係統末端用電設備雷擊或過電壓的保護,如信息網絡、智能設備、民用建築等。
■ 地(di)極(ji)護(hu)器(qi)係(xi)產(chan)品(pin)主(zhu)要(yao)是(shi)用(yong)來(lai)避(bi)免(mian)不(bu)同(tong)接(jie)地(di)地(di)網(wang)之(zhi)間(jian)產(chan)生(sheng)不(bu)同(tong)電(dian)位(wei)差(cha)的(de)危(wei)險(xian)。當(dang)雷(lei)電(dian)來(lai)臨(lin)時(shi),由(you)於(yu)不(bu)同(tong)的(de)接(jie)地(di)地(di)網(wang)布(bu)放(fang)過(guo)近(jin)時(shi),會(hui)有(you)其(qi)中(zhong)的(de)某(mou)個(ge)地(di)網(wang)的(de)電(dian)位(wei)在(zai)瞬(shun)間(jian)被(bei)抬(tai)升(sheng)到(dao)很(hen)高(gao)的(de)水(shui)平(ping),從(cong)而(er)與(yu)其(qi)他(ta)接(jie)地(di)地(di)網(wang)之(zhi)間(jian)產(chan)生(sheng)很(hen)高(gao)的(de)電(dian)位(wei)差(cha),該(gai)電(dian)位(wei)差(cha)可(ke)能(neng)連(lian)接(jie)於(yu)不(bu)同(tong)地(di)極(ji)之(zhi)間(jian)的(de)線(xian)路(lu)或(huo)設(she)備(bei)的(de)網(wang)絡(luo),即(ji)地(di)電(dian)位(wei)反(fan)擊(ji),它(ta)對(dui)設(she)備(bei)和(he)人(ren)員(yuan)的(de)安(an)全(quan)存(cun)在(zai)著(zhe)巨(ju)大(da)的(de)危(wei)險(xian),此(ci)時(shi)需(xu)要(yao)在(zai)不(bu)同(tong)的(de)地(di)網(wang)之(zhi)間(jian)安(an)裝(zhuang)地(di)極(ji)保(bao)護(hu)器(qi)來(lai)避(bi)免(mian)地(di)電(dian)位(wei)反(fan)擊(ji)問(wen)題(ti)。
■ 直流電源係列防雷器用於計算機係統、調製解調器、信號控製等不同電壓供電線路的設備前端,對直流電源線的雷擊或操作過電壓引起的過電壓進行保護。
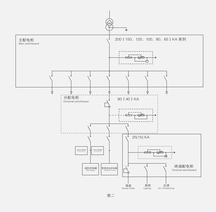
◆ 采用35mm導軌安裝。
◆ 保護器並聯安裝於設備的輸入端。
◆ 200KA、150KA、120KA、100KA係列中間用連接片在模塊的下端將模塊連接起來,80KA、65KA、40KA、
25KA、15KA由底座和模塊兩部分組成。
◆ 保護模塊的上端分別接相線L、零線N、接地線PE,並將與PE端連接的模塊與大地重複連接。
◆ 為了維護檢查,增強後備保護,可在保護器的前端串聯一組三相/單相熔斷器(熔斷器)。



(HC-DBP、BY1、JLSP、OVR、WLR、FTY、UBO等係列參數相同)






1、產品特點
◆ 寬電流計數(≧1KA)
◆ 適用於各種防雷裝置的泄流計數
◆ 計數準確
◆ 采用FLASH存儲器,斷電數據永不丟失
2、技術參數

有效地保護太陽能光伏設施
專zhuan業ye的de雷lei電dian浪lang湧yong保bao護hu器qi裝zhuang置zhi是shi太tai陽yang能neng光guang伏fu實shi施shi可ke靠kao運yun行xing的de基ji本ben保bao證zheng。太tai陽yang能neng光guang伏fu設she施shi總zong是shi麵mian臨lin直zhi擊ji雷lei和he感gan應ying雷lei的de風feng險xian,必bi須xu采cai取qu必bi要yao的de防fang護hu措cuo施shi才cai能neng保bao證zheng其qi安an全quan、可靠的運行。等電位連接設施的所有金屬結構必須相互連通,並且有效地接地實現等電位連接。
■ 綜合保護
直流線路和交流線路都需要安裝保護裝置,直流部分可能經受部分直擊雷電流。所以,應考慮安裝一級保護(TYPELDS60PV)
■ 埋地電纜
如有可能,應將光伏組件陣列和逆變器間的電纜穿金屬管埋地,並避免線纜盤繞,降低遭受直擊雷和感應耦
合的風險。
■ 安裝位置
如果光伏組件陣列和逆變器之間的電纜長度大於30米,應在光伏陣列一端加裝保護裝置。
■ 其他線纜保護
其他線路的保護同樣重要,如電機輸入、傳感器、探頭、數據線路等。
主要技術參數

隨著國際能源供應的斷緊張,開發和利用新能源成為增強競爭力的基本要求。目前,風力發電量不到全世界發電量的1%,隨著風力發電技術的170萬個就業機會,並在全球範圍減少100億yi噸dun二er氧yang化hua碳tan廢fei氣qi。由you於yu風feng力li發fa電dian場chang處chu於yu開kai闊kuo地di帶dai,在zai雷lei電dian雨yu天tian氣qi時shi容rong易yi遭zao受shou雷lei電dian襲xi擊ji,風feng電dian場chang的de用yong電dian設she備bei也ye會hui受shou到dao感gan應ying雷lei和he雷lei電dian波bo的de侵qin害hai。根gen據ju風feng電dian場chang雷lei電dian活huo動dong規gui律lv,針zhen對dui風feng電dian箱xiang變bian的de技ji術shu特te點dian,結jie合he德de國guophoenex領先的防雷產品和技術,推出針對風電箱變防雷和浪湧保護的產品,使箱變及其後續設備即使在雷雨天氣也能提供一級的電源保護。
主要技術參數

◆ 保護器按要求不需要調整
◆ 隻要保護器安裝得當即可自動對電網進行保護
◆ 進行中要定期更換檢查模塊窗口是否發紅,及時失效原件
◆ 訂貨時應該標明型號、極數、台數等;特殊型號、參數另外說明。如HC-DBP-400/100/4P/LC/4台
◆ 發貨時隨附
產品合格證 1份
使用說明書 1份
備注