|
HC200係列多功能電力質量監控儀表,是科菲電氣推出的新一代高端多功能電力質量監測、分析儀表,適用於智能化中、低壓變配電係統。
HC200係列多功能電力質量監控儀表,具有精確的電力參數測量、四象限電能計量、電能質量分析、波形捕捉與故障波形記錄、可編程越限報警、事件順序記錄、參數趨勢記錄等功能;配有豐富的輸入輸出接口,可用於現場設備狀態的監測和控製;HC200係列多功能電力質量監控儀表,還集成了工業標準的通訊接口(具有RS485通訊接口和以太網通訊接口),可與各種智能配電係統和能量管理係統集成,共享豐富的監測數據和電能質量數據;掉電或在電力質量惡劣的環境下,儀表所設定的參數、累計的電能值都不會丟失。

HC200係列多功能電力質量監控儀表,可作為電力自動化係統的前端采集終端(RTU),也可以作為配電係統的多功能電力質量監測、分析儀表,其應用範圍非常廣泛。由於采用了先進的真有效值測量方法和數字信號處理技術,HC200係列多功能電力質量監控儀表非常適用於非線性負荷係統等電力質量惡劣的環境或對電力質量要求很高的係統(可作為軌道交通、航站樓等國家重要項目的電力監控終端)。HC200係列多功能電力質量監控儀表具有完善的電能計量功能,也適合於需要進行電力能源管理或成本控製的場合。

1、具有完善的電力參數測量功能,可測量顯示三相電力網絡中U、I、P、Q、S、PF、F等全部電力參數,其中U、I、 F的準確度等級可達0.2級,其餘電量的準確度等級為0.5級。
2、全漢化液晶顯示,人機界麵清晰易懂,操作整定極為方便。
3、配套專用剩餘電流互感器,可測量線路中的剩餘電流,測量剩餘電流範圍:AC0~1500mA,準確度等級:0.5級。
4、具有CMC計量三相有功電能和無功電能的功能,有功電能準確度等級: 0.5S級,無功電能準確度等級:2級。
5、可采集並發送4路開關狀態量,並可輸出2路遙控信號,輸出脈衝寬度可設置。
6、juyouguoliubaojinghetiaozhagongneng,dangbeibaohuxianlufashengguzhang,baohutourugongzuo,ruguoceliangdaodedianliuchaoguoyuxianshedingdedingzhi,chixushijiandayuzhengdingyanshi,baohudongzuochukou。
7、具有過壓報警和跳閘功能,裝置設置了過壓保護,母線接入相電壓,當相電壓高於整定電壓時,延時一段時間,過壓保護動作。
8、具有失壓報警和跳閘功能,當測量電壓小於定值,並達到設定延時,立即報警並跳閘。
9、具有電能質量統計功能,統計的數據包括:電壓/電流不平衡度;電壓/電流的2~47次諧波含量的監測;電壓、電流通道的諧波畸變率。
10、具有計算需量周期內最大需量功能,需量周期默認為15分鍾,滑差時間1、3、5、15分鍾任選。
11、具有含時標的變化數據上報功能,當測量數據變化大於設定值,立即產生帶時標的數據,該數據包含了變的時間。故障信息的分辨率為20毫秒,即每個周期進行監測,可以保證故化前後的具體數值,以及變化障數據的完整。
12、具有錄波功能,每個錄波真實反映了故障前後的電壓/電流的狀態。
13、具有事件記錄功能,最多可記錄16條事件,記錄的各項數據可傳送到管理單元或監控係統。
14、遠方通訊接口可選配2種方式:a)10M/100M以太網通訊接口,可采用MODBUS-TCP協議或 IEC870-5-104中規定協議;b)工業標準RS-485通訊接口,MODBUS-RTU協議,多種波特率可選。
15、可選擇多時段分時計量電能功能。


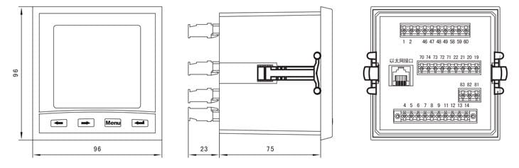
安裝方式:配電櫃或配電箱上正麵開孔(開孔尺寸:91×91mm),配套固定卡件嵌入式安裝。

注:60#端子為RS485通訊地,可接屏蔽線的屏蔽層或不接線,切不可接櫃體地(否則打耐壓或雷擊時易損壞
儀表通訊口)。


注:“*”為各相電流進線端,接CT二次的S1端,另一端可接地。

訂貨時,請詳細寫明所需產品的型號、輔助電源、輸入變比、電力網絡、輸出要求、擴展功能模塊以及訂貨數量等相關內容。
例:
型 號:HC200-S3-ETI4O2
輔助電源:AC 220V
輸入信號:220V/380V 500A/5A
電力網絡:三相四線
通 訊:1路以太網通訊接口,采用MODBUS-TCP協議
擴展功能:4路開關量狀態輸入(4DI)、2路繼電器輸出(2DO)
訂貨數量:10台